CORKEN-Kompressoren: Merkmale und Vorteile
CORKEN Kolben-Gaskompressoren
Corken bietet vertikale, einstufige Verdichter in fünf Größen (Modelle CORKEN 91, CORKEN 291, CORKEN 491, CORKEN 691 und CORKEN 891) für LPG/NH3-Anwendungen an. Die CORKEN-Kompressoren sind mit NPT- oder RF-Flanschanschlüssen mit Gewinde erhältlich und decken einen vollständigen Leistungsbereich von 7,0 bis 198,8 m3/h für den Flüssigkeitstransfer ab. Der RF-Flansch der Klasse 300 verbessert die Leckageeindämmung und die strukturelle Integrität erheblich.
Design der Kolbenstangenpackung...
Die vertikalen LPG-Standardkompressoren von Corken sind ein schlichtes Design mit einem Satz V-Ring-Packung. Die meisten LPG-Vertikalkompressoren von Corken verwenden einen einzigen Satz V-Ring-Packungen (Plain-Style). Einzige Ausnahme ist das Modell CORKEN 891, das eine Kombination aus V-Ring-Packung und segmentierter Packung verwendet. Obwohl es sich bei dem Modell CORKEN 891 um einen D-Kompressor handelt, ist es der einzige D-Kompressor, der nicht ölfrei ist. Alle anderen Kompressoren der Bauform D sind ölfrei. Die V-Ring-Packung besteht aus mehreren V-Ringen, männlichen und weiblichen Packungsringen, Unterlegscheiben und einer Feder, während die segmentierte Packung aus Packungsbechern, Abstandshaltern, O-Ringen, segmentierten Packungen, Stützringen und einer Feder besteht. Keine der schlichten Packungsanordnungen ist eine ölfreie Konstruktion. Wenn eine ölfreie Gasverdichtung erforderlich ist, werden die D- oder T-Kompressoren von Corken empfohlen.
СORKEN Einstufige Ausführung...
Die einstufigen Verdichter von Corken werden in der Regel in Anwendungen eingesetzt, bei denen das Gasverdichtungsverhältnis weniger als 5:1 beträgt. In der Regel eignen sich Anwendungen mit relativ geringen Differenzdrücken gut für einen einstufigen Verdichter. Beispiele für diese Art von Anwendung sind Beispiele für diese Art von Anwendung.
Kundenspezifische EDS-CORKEN Kompressoranlagen erhältlich.
EDS bietet Standardhalterungen an, die speziell für Flüssiggastransfer-, Gasrückgewinnungs- und Gasverstärkeranwendungen entwickelt wurden. Wenn sie nicht den Spezifikationen der Anwendung entsprechen, kann EDS ein kundenspezifisches Paket liefern. Auf einem Gestell montierte Einheiten werden je nach Bedarf mit Schalttafeln, Sicherheitssteuerungen, Pulsationsdämpfern, Auffangbehältern, Ventilen und anderem Spezialzubehör geliefert. Für weitere Informationen wenden Sie sich bitte an das EDS-Engineering-Team
Reciprocating CORKEN Gas Compressors Vertical
a doppeltwirkender Vertikalverdichter.
b Der maximale Durchfluss basiert auf 825 U/min oder der maximalen PS von 30 psid. Die angegebenen Kapazitäten basieren auf 100 °F (37,8 °C) und variieren je nach Rohrleitung, Armaturen, zu übertragendem Produkt und Temperatur. Das Werk liefert bei Bedarf eine detaillierte Kompressoranalyse.
horizontale CORKEN Kolben-Gaskompressoren
Der trockenlaufende Kolbenkompressor CORKEN 91 ist der kleinste Kompressor der CORKEN LPG Kompressors-Baureihe. Typische Anwendungen sind: Umfüllen von Flüssiggas aus Tankwagen, Druckerhöhung in Gasversorgungssystemen usw
Operation CORKEN 291 compressor :
| Max piston replacement, m3/h | 13 |
| Min suction pressure, bar | 0,2 |
| Max suction pressure, bar | 23 |
| Weight bare compressor, kg | 68 |
| Recommended motor power, kw | 3,6 |
| Max Motor power, kw | 5 |
| Connections | 3/4” NPT |
Erhältlich als Kompressor ohne Zubehör oder als EDS -Corken Kompressoraggregat (Skid).
Verfügbarer Motoren: Exe Motor, Exd Motor, Dieselmotor
Kundenspezifisches Design verfügbar.
The CORKEN 291 dry-running piston compressor is the most popular CORKEN compressor for use in LPG road tankers..
Operation Data Corken 291 Compressor:
| Max piston replacement, m3/h | 27 |
| Min suction pressure, bar | 0,2 |
| Max discharge pressure, bar | 23 |
| Weight bare compressor, kg | 96 |
| Recommended motor power, kw | 5 |
| Max Motor power, kw | 1 |
| Connections | 3/4” NPT |
Available as bare compressor or as EDS -Corken 291 complete unit (skid)..
Available driver: Exe Motor, Exd Motor, Diesel engine
Customized design available.
With a displacement of 60 m3/h, CORKEN 491 Compressor is very often used in smaller LPG terminals for fast LPG road tanker unloading …
Operation Data Corken 491 Compressor:
| Max piston replacement, m3/h | 58 |
| Min suction pressure, bar | 0,2 |
| Max discharge pressure, bar | 23 |
| Weight bare compressor, kg | 177 |
| Recommended motor power, kw | 10 |
| Max Motor power, kw | 15 |
| Connections | 1-1/4” NPT |
Available as bare compressor or as EDS -Corken 491 complete unit (skid)..
Available driver: Exe Motor, Exd Motor, Diesel engine
Customized design available.
Operators of medium-sized LPG terminals - with the simultaneous unloading of 1-3 rail cars often use CORKEN 691 LPG compressors… CORKEN 691 Compressors can be installed in the row for parallel operation
Operation Data Corken 691 Compressor:
| Max piston replacement, m3/h | 108 |
| Min suction pressure, bar | 0,2 |
| Max discharge pressure, bar | 23 |
| Weight bare compressor, kg | 338 |
| Recommended motor power, kw | 17 |
| Max Motor power, kw | 26 |
| Connections | 1-1/2” NPT |
Available as bare compressor or as EDS -Corken 691 complete unit (skid)..
Available driver: Exe Motor, Exd Motor, Diesel engine
Customized design available.
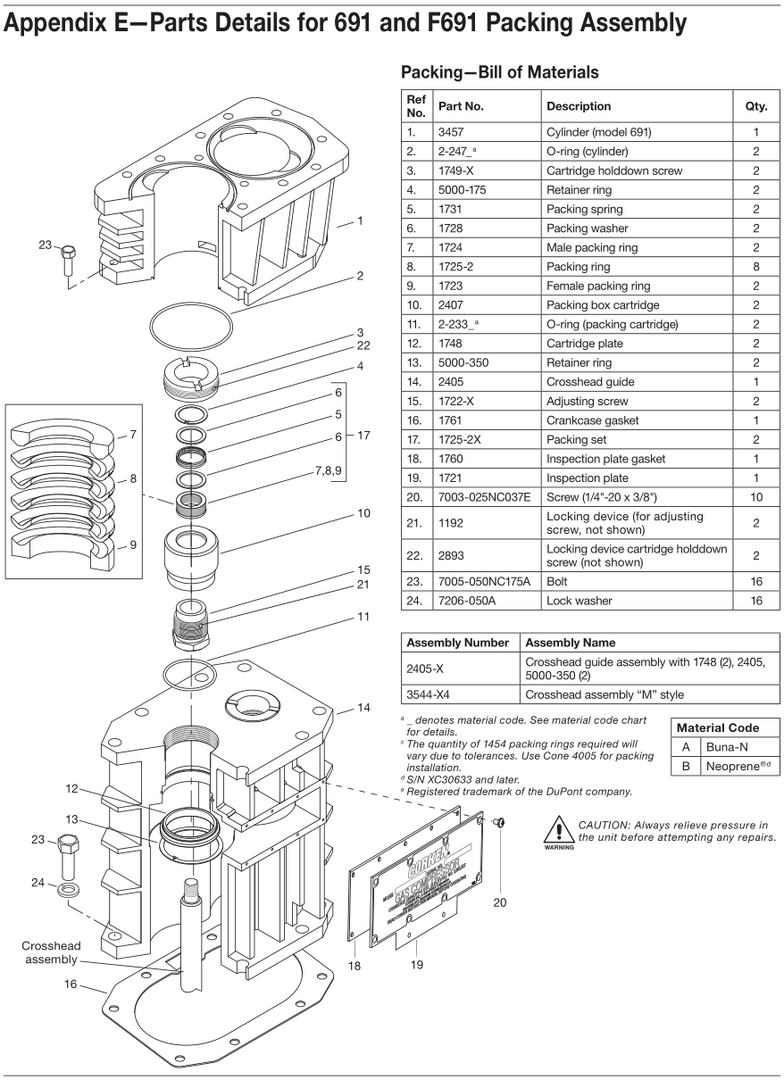
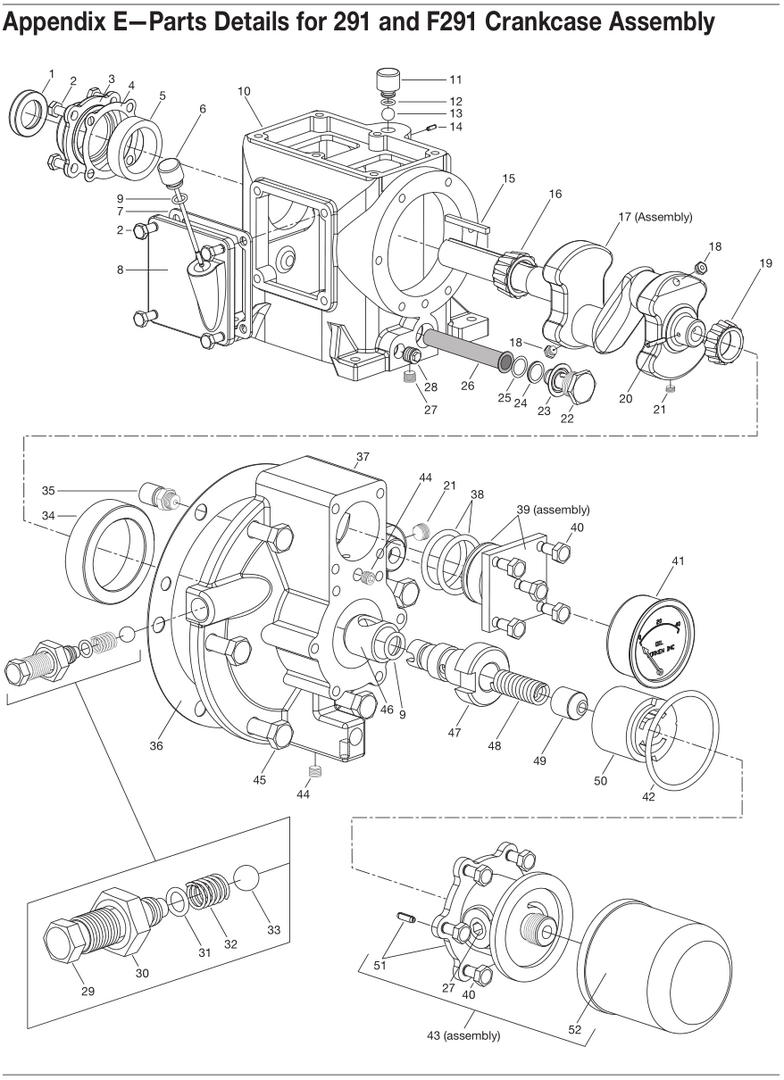
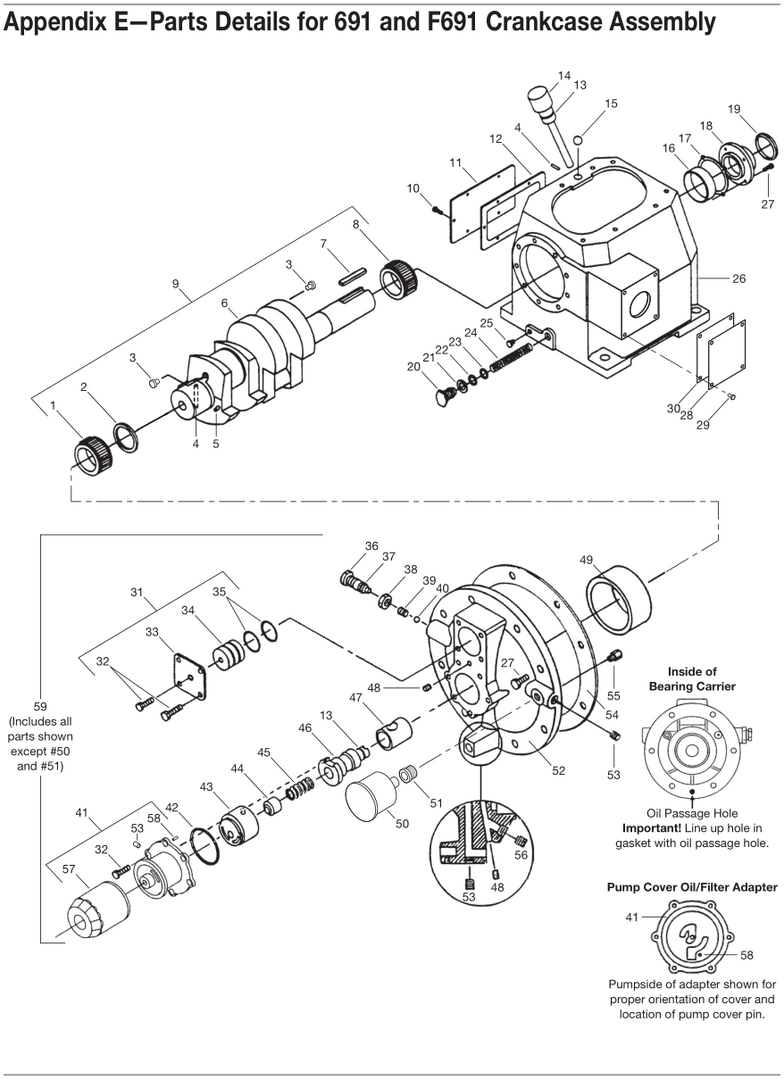
Spare parts for Corken 691 LPG Compressor
CORKEN FD 891 is the largest vertical LPG compressor in the Corken LPG family. Typical application is - the large LPG terminals, in which up to 20 tank cars can be unloaded at the same time
Operation Data Corken FD 891 Compressor:
| Max piston replacement, m3/h | 200 |
| Min suction pressure, bar | 0,2 |
| Max discharge pressure, bar | 31 |
| Weight bare compressor, kg | 930 |
| Recommended motor power, kw | 30 |
| Max Motor power, kw | 34 |
| Connections | 2” ANSI |
Available as bare compressor or as EDS -Corken FD 891 complete unit (skid)..
Available driver: Exe Motor, Exd Motor, Diesel engine
Customized design available.